
近日,中國勘察設計協會印發《工程勘察服務成本要素信息(2022版)》。
《要素信息》在對全國范圍2014-2020年工程勘察服務成本要素信息進行專項調查的基礎上,進行了統計、測算和分析。針對工程勘察市場現狀并結合不斷發展的行業服務需求,收集整理了工程勘察企業提供的巖土工程和工程測量專業技術服務內容、服務收入、服務項目人力資源要素配置、與工程費相對應的基本服務成本(含稅金)、巖土工程與工程測量的各類實物工作成本等大量生產要素數據信息,采集的數據在工程勘察行業具有較為廣泛的代表性。
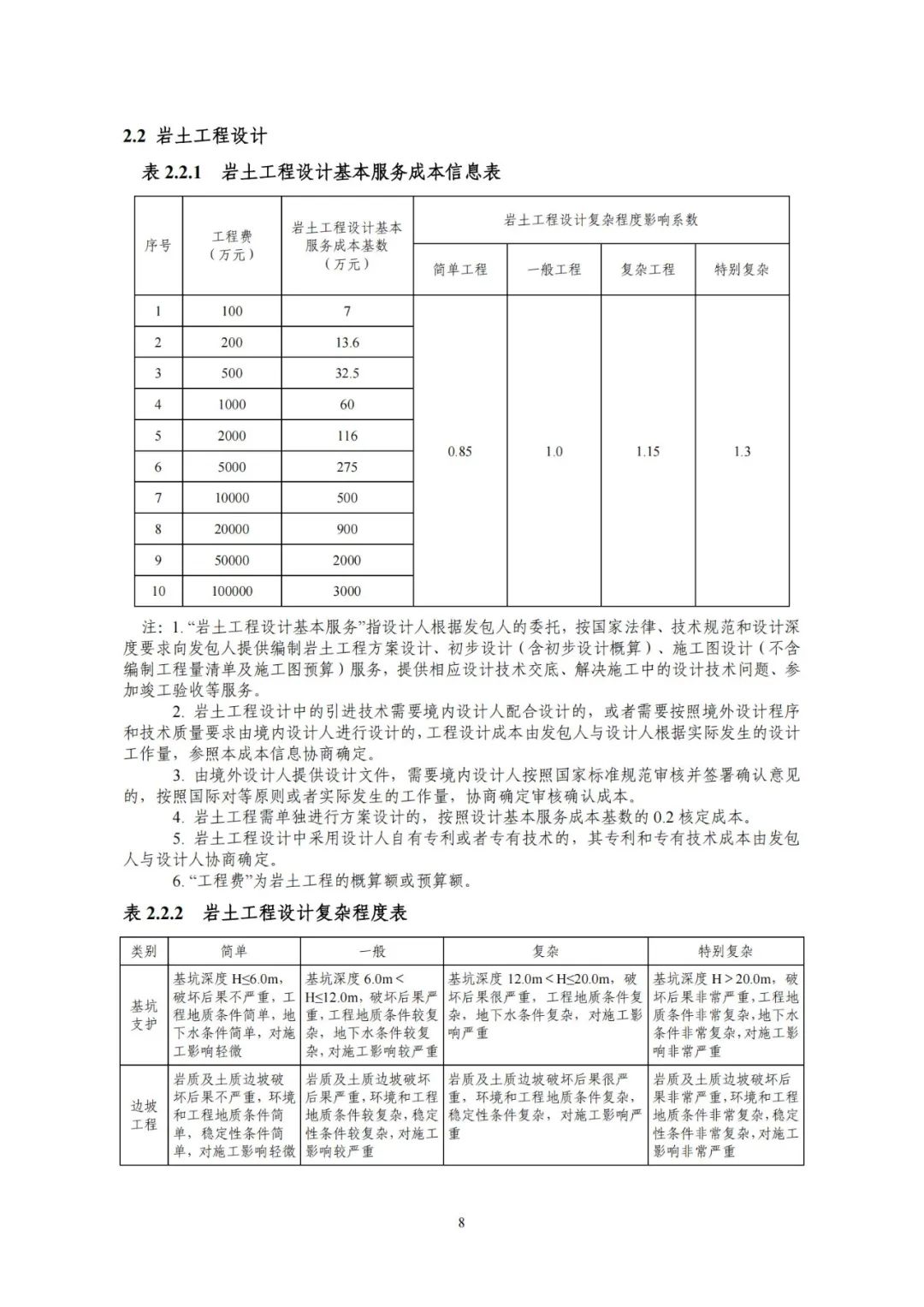
《要素信息》分為八章,相關成本測算分為工程費法(其包含巖土工程勘察、巖土工程勘察咨詢與監理、巖土工程設計和專業工程咨詢)、實物工作量法(其包含工程地質測繪與遙感地質解譯、巖土工程勘探與取樣、巖土工程試驗/檢測與監測、工程測量、水文地質勘察)及人工日法三類。除傳統的巖土工程試驗、測試和工程測量項目外,實物工作成本包括了土的易溶鹽及導熱系數等室內試驗、多功能數字式孔壓靜力觸探試驗、溫度測量等工程物探、海洋和內陸水域測量、無人機航空攝影測量、地面三維激光掃描測量、規劃測量等以新技術方法為主的專業技術服務項目。
現將《工程勘察服務成本要素信息(2022版)》予以印發。





















































